|
今天,正运动小助手给大家分享一下运动控制卡之ECI3808的硬件外设读写并配合ZDevelop诊断。
一、 ECI3808硬件介绍
1.功能介绍
ECI3808系列控制卡支持最多达 12 轴直线插补、任意圆弧插补、空间圆弧、螺旋插补、电子凸轮、电子齿轮、同步跟随、虚拟轴、机械手指令等;采用优化的网络通讯协议可以实现实时的运动控制。
ECI3808系列运动控制卡支持以太网,RS232 通讯接口和电脑相连,接收电脑的指令运行,可以通过CAN总线去连接各个扩展模块,从而扩展输入输出点数或运动轴。
ECI3808系列运动控制卡的应用程序可以使用 VC,VB,VS,C++,C#等软件来开发,程序运行时需要动态库 zmotion.dll。调试时可以把ZDevelop软件同时连接到控制器,从而方便调试、方便观察。

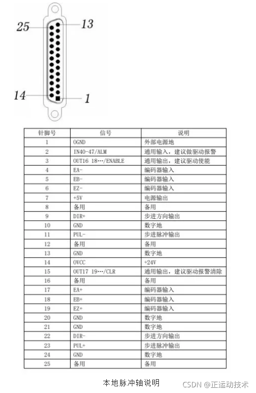
2.硬件接口


3.控制器基本信息

二、 C++进行运动控制开发
1.新建MFC项目并添加函数库
(1)在VS2015菜单“文件”→“新建”→ “项目”,启动创建项目向导。

(2)选择开发语言为“Visual C++”和程序类型“MFC应用程序”。

(3)点击下一步即可。

(4)选择类型为“基于对话框”,下一步或者完成。

(5)找到厂家提供的光盘资料,路径如下(64位库为例)。
A.进入厂商提供的光盘资料找到“8.PC函数”文件夹,并点击进入。

B.选择“函数库2.1”文件夹。

C.选择“Windows平台”文件夹。

D.根据需要选择对应的函数库这里选择64位库。

E.解压C++的压缩包,里面有C++对应的函数库。

F.函数库具体路径如下。

(6)将厂商提供的C++的库文件和相关头文件复制到新建的项目里面。

(7)在项目中添加静态库和相关头文件。
A.先右击项目文件,接着依次选择:“添加”→“现有项”。

B.在弹出的窗口中依次添加静态库和相关头文件。
(8)声明用到的头文件和定义控制器连接句柄。

至此项目新建完成,可进行MFC项目开发。
2.查看PC函数手册,熟悉相关函数接口。
(1)PC函数手册也在光盘资料里面,具体路径如下:“光盘资料\8.PC函数\函数库2.1\ZMotion函数库编程手册 V2.1.pdf”

(2)链接控制器,获取链接句柄。

(3)外设读写接口。

3.MFC开发控制器硬件外设读写例程。
(1)例程界面如下。

(2)链接按钮的事件处理函数中调用链接控制器的接口函数ZAux_OpenEth(),与控制器进行链接,链接成功后启动定时器1监控控制器状态。
//网口链接控制器
void CSingle_move_Dlg::OnOpen()
{
char buffer[256];
int32 iresult;
//如果已经链接,则先断开链接
if(NULL != g_handle)
{
ZAux_Close(g_handle);
g_handle = NULL;
}
//从IP下拉框中选择获取IP地址
GetDlgItemText(IDC_IPLIST,buffer,255);
buffer[255] = '\0';
//开始链接控制器
iresult = ZAux_OpenEth(buffer, &g_handle);
if(ERR_SUCCESS != iresult)
{
g_handle = NULL;
MessageBox(_T("链接失败"));
SetWindowText("未链接");
return;
}
//链接成功开启定时器1
SetWindowText("已链接");
SetTimer( 1, 100, NULL );
}
(3)通过定时器监控控制器状态。
void CSingle_move_Dlg::OnTimer(UINT_PTR nIDEvent)
{
// TODO: 在此添加消息处理程序代码和/或调用默认值
if(NULL == g_handle)
{
MessageBox(_T("链接断开"));
return ;
}
//定时器1
if(1 == nIDEvent)
{
CString string;
float AinValue = 0;
//获取当前轴位置
ZAux_Direct_GetAD(g_handle,0, &AinValue);
string.Format("AIN0:%.2f mv", AinValue / 4096 * 10000);
GetDlgItem( IDC_AIN0 )->SetWindowText( string );
ZAux_Direct_GetAD( g_handle,1,&AinValue); //获取当前轴速度
string.Format("AIN1:%.2f mv", AinValue / 4096 * 10000);
GetDlgItem(IDC_AIN1)->SetWindowText( string );
float AoutValue = 0;
ZAux_Direct_GetDA(g_handle, 0, &AoutValue); //获取当前轴位置
string.Format("AOUT0:%.2f mv", AoutValue / 4096 * 10000);
GetDlgItem(IDC_GETAOUT0)->SetWindowText(string);
ZAux_Direct_GetDA(g_handle, 1, &AoutValue); //获取当前轴速度
string.Format("AOUT1:%.2f mv", AoutValue / 4096 * 10000);
GetDlgItem(IDC_GETAOUT1)->SetWindowText(string);
int nLine = 0;
ZAux_Direct_GetRemain_LineBuffer(g_handle,0, &nLine); //判断当前轴状态
string.Format("轴0剩余缓冲区:%d", nLine);
GetDlgItem(IDC_REMAINBUFFER)->SetWindowText(string);
int canstatus = 0;
canstatus = CanioStatus();
if(canstatus == 0)
{
string.Format("can扩展板状态: 断开");
GetDlgItem(IDC_CANIO)->SetWindowText(string);
}
else
{
string.Format("can扩展板状态: 正常");
GetDlgItem(IDC_CANIO)->SetWindowText(string);
}
}
if(2 == nIDEvent)
{
//IO状态获取
DealInValue();
}
CDialog::OnTimer(nIDEvent);
}
(4)通过参数设置按钮的事件处理函数去设置模拟量、pwm占空比等外设参数。
void CSingle_move_Dlg::OnBnClickedParaset()
{
// TODO: 在此添加控件通知处理程序代码
CString str = "";
float DaValue = 0;
//获取编辑框中DA0的值设置到控制器
GetDlgItem(IDC_AOUT0)->GetWindowText(str);
DaValue = atof(str);
ZAux_Direct_SetDA(g_handle, 0, DaValue / 10 * 4096);
//获取编辑框中DA0的值设置到控制器
GetDlgItem(IDC_AOUT1)->GetWindowText(str);
DaValue = atof(str);
ZAux_Direct_SetDA(g_handle, 1, DaValue/ 10 * 4096);
float PwmDuty0, PwmDuty1, PwmFreq0, PwmFreq1;
//获取编辑框中PWM0占空比的值设置到控制器
GetDlgItem(IDC_PWMDUTY0)->GetWindowText(str);
PwmDuty0 = atof(str);
ZAux_Direct_SetPwmDuty(g_handle,0,PwmDuty0/100);
//获取编辑框中PWM1占空比的值设置到控制器
GetDlgItem(IDC_PWMDUTY1)->GetWindowText(str);
PwmDuty1 = atof(str);
ZAux_Direct_SetPwmDuty(g_handle, 1, PwmDuty1/100);
//获取编辑框中PWM1频率的值设置到控制器
GetDlgItem(IDC_PWMFREQ0)->GetWindowText(str);
PwmFreq0 = atof(str);
ZAux_Direct_SetPwmFreq(g_handle, 0, PwmFreq0);
//获取编辑框中PWM1频率的值设置到控制器
GetDlgItem(IDC_PWMFREQ1)->GetWindowText(str);
PwmFreq1 = atof(str);
ZAux_Direct_SetPwmFreq(g_handle, 1, PwmFreq1);
}
(5)通过断开按钮的事件处理函数来断开与控制卡的连接。
void CSingle_move_Dlg::OnClose() //断开链接
{
// TODO: Add your control notification handler code here
if(NULL != g_handle)
{
KillTimer(1); //关定时器
KillTimer(2);
ZAux_Close(g_handle);
g_handle = NULL;
SetWindowText("未链接");
}
}
三、 调试与监控
编译运行例程,同时通过ZDevelop软件连接控制器对控制器状态进行监控。


简单易用的运动控制卡(二):外设读写与ZDevelop诊断
本次,正运动技术简单易用的运动控制卡(二):外设读写与ZDevelop诊断,就分享到这里。
更多精彩内容请关注“正运动小助手”公众号,需要相关开发环境与例程代码,请咨询正运动技术销售工程师。
本文由正运动技术原创,欢迎大家转载,共同学习,一起提高中国智能制造水平。文章版权归正运动技术所有,如有转载请注明文章来源。
|