|
中断 89C51/52 的中断系统有5个中断源,2个优先级,可进行二级中断嵌套。 
优先级从上往下递减 1、(P3.2)(INT0 外部中断0)可由ITO (TCON.0)选择其为低电平有效还是卞降沿有效。当CPU检测到P3.2引脚上出现有效的中断信号时,中断标志IE0 (TCON.1)置1,向CPU申请中断。 2、(P3.3)(INT1 外部中断1)可由IT1 (TCON.2)选择其为低电平有效还是下降沿有效。当CPU检测到P3.3引脚上出现看效的中断信号时,中断标志IE1 (TCON.3)置1,向CPU申请中断。 3、TF0(TCON.5),片内定时、计数器T0溢出中断请求标志。当定时/计数器T0发送溢出时,置位TF0,并向CPU申请中断。 4、TF1(TCON.7),片内定时、计数器T0溢出中断请求标志。当定时/计数器T0发送溢出时,置位TF0,并向CPU申请中断。 5、RI (SCON.0)或TI (SCON.1),串行口中断请求 标志。当串行口接收完一帧串行数据时置位RI或当串行口发送完一帧串行数据时置位TI,向CPU申请中断。 中断相关寄存器 (1)中断允许控制寄存器 CPU对所有中断以及某个中断源的开放和屏蔽是由中断允许寄存器IE控制的。  EX0(IE.0),外部中断0允许位;(允许则要置1,下同) ET0(IE.1),定时/计数器T0中断允许位; EX1(IE.2),外部中断0允许位; ET1(IE.3),定时/计数器T1中断允许位; ES(IE.4),串行口中断允许位; EA (IE.7),CPU中断允许(总允许)位。(这个位置1其他位的值才有效) (2)中断请求标志寄存器 ①TCON的中断标志  IT0(TCON.0) ,外部中断0触发方式控制位。 当IT0=0时,为电平触发方式。 当IT0=1时,为边沿触发方式(下降沿有效)。 IE0 (TCON.1),外部中断0中断请求标志位。 IT1 (TCON.2),外部中断1触发方式控制位。 IE1 (TCON.3) ,外部中断1中断请求标志位。 TF0 (TCON.5),定时/计数器T0溢出中断请求标志位。 TF1 (TCON.7),定时/计数器T1溢出中断请求标志位。 同一优先级中的中断申清不止一个时,则有中断优先权排队问题。同一优先级的中断优先权排队,由中断系统硬件确定的自然优先级形成,其排列如所示:  中断源  51中断优先级的三个原则: CPU同时接收到几个中断时,首先响应优先级别最高的中断请求。 正在进行的中断过程不能被新的同级或低优先级的中断请求所中断。 正在进行的低优先级中断服务,能被高优先级中断请求所中断。 为了实现上述后两条原则,中断系统内部设有两个用户不能寻址的优先级状态触发器。其中一个置1,表示正在响应高优先级的中断,它将阻断后来所有的中断请求;另一个置1,表示正在响应低优先级中断,它将阻断后来所有的低优先级中断请求。 中断响应的条件: ①中断源有中断响应请求②此中断的允许位为1③CPU开中断(即EA=1) 三条件同时满足时才可进行中断操作 外部中断0实验代码:
#include "reg52.h"
#include "intrins.h"
sbit led=P2^0;
sbit key3=P3^2;
typedef unsigned char u8;
typedef unsigned int u16;
void delay(u16 i){
while(i--);
}
void Int0Init(){
IT0=1;
EX0=1;
EA=1;
}
void Int0() interrupt 0{
delay(1000);
if(key3==0){
delay(80);
if(key3==0){
led=~led;}
}
??
}
void main(){
Int0Init();
while(1)
{
}
}
如果要写其他中断,则需要记得改中断号。
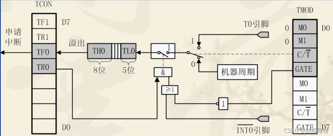
定时器 振荡周期:为单片机提供定时信号的振荡源的周期(晶振周期或外加振荡周期) 状态周期:2个振荡周期为1个状态周期,用S表示。振荡周期又称S周期或时钟周期。 机器周期:1个机器周期含6个状态周期,12个振荡周期。 指令周期:完成1条指令所占用的全部时间,它以机器周期为单位。 晶振为12M时: 振荡周期=1/12us;状态周期=1/6us,机器周期=1us;指令周期=1~4us。 51单片机有两组定时器/计数器,因为既可以定时,又可以计数,故称之为定时器/计数器。 定时器/计数器和单片机的CPU是相互独立的。定时器/计数器工作的过程是自动完成的,不需要CPU的参与。 51单片机中的定时器/计数器是根据机器内部的时钟或者是外部的脉冲信号对寄存器中的数据加1。 有了定时器/计数器之后,可以增加单片机的效率,一些简单的重复加1的工作可以交给定时器/计数器处理。CPU转而处理一些复杂的事情。同时可以实现精确定时作用。 定时/计数器的工作原理 定时计数器实质上是一个加1让数器。它随着计数器的输入脉冲进行白加1,也就是每来一个脉冲,计数器就自动加1,,当加到计数器为全1时,再输入一个脉冲就使计数器回零,且计数器的溢出使相应的中断标志位置1,向CPU发出中断请求(定时/计数器中断允许时)。如果定时/计数器工作于定时模式,则表示定时时间已到;如果工作于计数模式,则表示计数值已满。 可见,由溢出时计数器的值减去计数初值才是加1计数器的计数值。 结构: 定时/计数器的实质是加1计数器(16位),由高8位和低8位两个寄存器THx和TLx组成。TMOD是定时/计数器的工作方式寄存器,确定种作方式和功能;TCON是控制寄存器,控制T0、T1的启动和停止及设置溢出标志。  TCON的介绍参考上文 TMOD——工作方式寄存器用来设置定时/计数器的工作方式。低四位用于T0,高四位用于T1.格式如下:  位7:门控位GATE,置0时用于控制定时器的启动是否受外部中断源信号影响。只要用软件设置TCON的TR0/TR1为1,就可以使定时/计数器工作;GATE=1时,要用软件使TR0/TR1为1,同时外部中断引脚INT0/1为高电平时才能启动定时/计数器工作。 位6:定时/计数模式选择位。C/T=0时为定时模式及,C/T=1时为计数模式。 位5/4:M1/M0,工作方式设置位,定时/计数器有4种工作方式,设置如下  控制寄存器TCON TCON的低4位用于控制外部中断,参考上文。TCON的高4位用于控制定时/计数器的启动和中断申请。其格式如下:  位7:TF1 (TCON.7):T1溢出中断请求标志位。T1计数溢出时由硬件自动置TF1为1。CPU响应中断后TF1由硬件自动清0。T1工作时,CPU可随时查询TF1的状态。所以,TF1可用作查询测试的标志。TF1也可以用软件置1或清0,同硬件置1或清0的效果一样。 位6:TR1 (TCON.6):T1运行控制位。TR1置1时,T1开始工作;TR1置0时,T1停止工作。TR1由软件置1或清0。所以,用软件可控制定时/计数器的启动与停止。 位5:TF0 (TCON.5):TO溢出中断请求标志位,其功能与TF1类同。 位4:TR0 (TCON.4) :TO运行控制位,其功能与TR1类同。 定时/计数器的工作方式: 1.方式0:方式0为13位计数,由TL0/TL1的低五位(高三位未使用)和TH0/TH1的8位组成。TL0/TL1的低五位溢出时间时向TH0/TH1进位,TH0/TH1溢出时,置位TCON中的TF0/TF1标志(置1),向CPU发出中断请求。  定时器模式时有:N=t/ Tcy 计数初值计算的公式为:X=213一N。 定时器的初值还可以采用计数个数直接取补法获得。计数模式时,计数脉冲是T0引脚上的外部脉冲。 门控位GATE具有特殊的作用。当GATE=0时,经反相后使或门输出为1,此时仅由TR0控制与门的开启,与门输出1时,控制开关接通,计数开始;当GATE=1时,由外中断引 脚信号控制或门的输出,此时控制与门的开启由外中断引脚信号和TR0共同控制。当TR0=1时,外中断引脚信亏引脚的高电平启动计数,外中断引脚信号引脚的低电平停止计数。这种方式常用来测量外中断引脚上正脉冲的宽度。 2.方式1 方式1计数位数是16位,由TL0作为低8位,TH0作为高八位,组成了16位加1计数器  计数个数与计数初值的关系为:X=216-N; 3.方式2 方式2为自动重装载初值的8位计数方式  计数个数与计数初值的关系为:X=28-N; 工作方式2特别适合于用作较为精确的脉冲信号发生器。 4.方式3 方式3只适用于定时/计数器T0(16位),定时器T1处于方式3时相当于TR1=0,停止计数。 工作方式3将T0分成两个独立的8位计数器TL0和TH0。
使用定时器,该做哪些工作初始化程序应完成如下工作: 对TMOD赋值,以确定T0和T1的工作方式。 计算初值,并将其写入TH0、TL0或TH1、TL1。 中断方式时,则对EA赋值,开放定时器中断。 使TRO或TR1置位,启动定时/计数器定时或计数。
计数器初值的计算 机器周期也就是CPU完成一个基本操作所需要的时间。 机器周期=1/单片机的时钟频率。51单片机内部时钟频率是外部时钟的12分频。也就是说当外部晶振的频率输入到单片机里面的时候要进行12分频。比如说你用的是12MHZ的晶振,那么单片机内部的时钟频率就是12/12MHZ,当你使用12MHZ的外部晶振的时候。机器周期=1/1M=1us。 而我们定时1ms的初值是多少呢,1ms/lus=1000。也就是要计数1000个数,初值=65535-1000+1(因为实际上计数器计数到65536才溢出)=64536=FC18H
#include "reg52.h"
sbit led=P2^0;
typedef unsigned char u8;
typedef unsigned int u16;
void Timer0Init(){
TMOD|=0x01;
TH0=0xFC;
TL1=0x18;
ET0=1;
EA=1;
TR0=1;
}
void Time0() interrupt 1{
static u16 i;
TH0=0xFC;
TL1=0x18;
i++;
if(i==1000){
i=0;
led=~led;
}
}
void main(){
Timer0Init();
while(1);
}
串口通信 计算机通信是将计算机技术和通信技术的相结合,完成计算机与外部设备或计算机写计算机之间的信息交换。可以分为两大类:并行通信与串行通信。 并行通信通常是将数据字节的各位用多条数据线同时进行传送。  并行通信控制简单、传输速度快;由于传输线较多,长距离传送时成本高且接收方的各位同时接收存在困难。 串行通信是将数据字节分成一位一位的形式在一条传输线上逐个地传送。  串行通信的特点:传输线少,长距离传送时成本低,且可以利用电话网等现成的设备,但数据的传送控制比并行通信复杂。 异步通信和同步通信: 1.异步通信: 异步通信足指通信的发送与接收设备使用各自的时钟控制数据的发送和接收过程。为使双方的收发协调,要求发送和接收设备的时钟尽可能一致。  异步通信的数据格式:  异步通信的特点:不要求收发双方时钟的严格一致,实现容易,设备开销较小,但每个字符要附加2~3位用于起止位,各帧之间还有间隔,因此传输效率不高。 2、同步通信 同步通信时要建立发送方时钟对接收方时钟的直接控制,使双方达到完全同步。此时,传输数据的位之间的距离均为“位间隔”的整数倍,同时传送的字符间不留间隙,即保持位同步关系,也保持字符同步关系。发送方对接收方的同步可以通过两种方法实现。  串行通信的传输方向: 单工是指数据传输仅能沿一个方向,不能实现反向传输。 半双工是指数据传输可以沿两个方向,但需要分时进行。 全双工是指数据可以同时进行双向传输。 串行通信常见的错误校验 1、奇偶校验 在发送数据时,数据位尾随的1位为奇偶校验位(1或0)。奇校验时,数据中“1”的个数与校验位“1”的个数之和应为奇数;偶校验时,数据中“1”的个数与校验位“1”的个数之和应为偶数。接收字符时,对“1”的个数进行校验,若发现不一致,则说明传输数据过程中出现了差错。 2、代码和校验 代码和校验是发送方将所发数据块求和(或各字节异或),产生一个字节的校验字符(校验和)附加到数据块末尾。接收方接收数据同时对数据块(除校验字节外)求和(或各字节异或),将所得的结果与发送方的“校验和”进行比较,相符则无差错,否则即认为传送过程中出现了差错。 3、循环冗余校验 这种校验是通过某种数学运算实现有效信息与校验位之间的循环校验,常用于对磁盘信息的传输、存储区的完整性校验等。这种校验方法纠错能力强,广泛应用于同步通信中。 传输速率 比特率是每秒钟传输二进制代码的位数,单位是:位「秒(bps)。如每秒钟传送240个字符,而每个字苻格式包含10位(1个起始位、1个停止位、8个数据位),这时的比特率为:10位×240个/秒=2400 bps 传输距离与传输速率的关系 串行接口或终端直接传送串行信息位流的最大距离与传输速率及传输线的电气特性有关。当传输线使用每0.3m约1英尺)有50PF电容的非平衡屏蔽双绞线时,传输距离随传输速率的增加而减小。当比特率超过1000 bps时,最大传输距离迅速下降,如9600 bps时最大距离下降到只有76m(约250英尺)。 串行通信接口标准 一、RS-232C接口 RS-232C是EIA美国电子工业协会)1969年修订RS-232C标准。RS-232C定义了数据终端设备(DTE)与数据通信设备(DCE)之间的物理接口标准、 1、机械特性 RS-232C接口规定使用25针连接器,连接器的尺寸及每个插针的排列位置都有明确的定义(阳头)
25帧口  9帧口   RS232C电平与TTL电平转化驱动电路  采用RS-232C接口存在的问题 1、传输距离短,传输速率低 RS-232C总线标准受电容允许值的约束,使用时传输距离一般不要超过15米(线路条件好时也不超过几十米)。最高传送速率为20Kbps. 2、有电平偏移 RS-232C总线标准要求收发双方共地。通信距离较大时,收发双方的地电位差别较大,在信号地上将有比较大的地电流并产生压降。 3、抗干扰能力差 RS-232C在电平转换时采用单端输入输出,在传输过程中当干扰和噪声混在正常的信号中。为了提高信噪比,RS-232C总线标准不得不采用比较大的电压摆幅。 RS-422A接口(双向需要四根线) RS-422A输出驱动器为双端平衡驱动器。如果其中一条线为逻辑“1”状态,另一条线就为逻辑“0”,比采用单端不平衡驱动对电压的放大倍数大一倍。差分电路能从地线千扰中拾取有效信号,差分接收器可以分辨200mV以上电位差。若传输过程中混入了干扰和噪声,由于差分放大器的作用,可使干扰和噪声相互抵消。因此可以避免或大天减弱地线千扰和电磁千扰的影响。RS-422A传输速率(90Kbps)时,传输距离可达1200米。 RS-485接口(双向仅需要两根线) RS-485是RS-422A的变型:RS-422A用于全双工,而RS-485则用于半双工。RS-485是一种多发送器标准,在通信线路上最多可以使用32对差分驱动器/接收器。如果在一个网络中连接的设备超过32个,还可以使用中继器。 RS-485的信号传输采用两线间的电压来表示逻辑1和逻辑0。由于发送方需要两根传输线,接收方也需要两根传输线。传输线采用差动信道,所以它的干扰抑制性极好,又因为它的阻抗低,无接地问题,所以传输距离可达1200米,传输速率可达1Mbps。 RS-485是一点对多点的通信接口,一般采用双绞线的结构。普通的PC机一般不带RS485接口,因此要使用RS-232C/RS-485转换器。对于单片机可以通过芯片MAX485来完成TTL/RS-485的电平转换。在计算机和单片机组成的RS-485通信系统中,下位机由单片机系统组成,上位机为普通的PC机,负责监视下位机的运行状态,并对其状态信息进行集中处理,以图文方式显示下位机的工作状态以及工业现场被控设备的工作状况。系统中各节点(包括上位机)的识别是通过设置不同的站地址来实现的。
80C51的串行口  有两个物理上独立的接收、发送缓存器SBUF,它们占用同一地址99H,所以在软件设置中不管是发送还是接收一般都使用SBUF;接收器是双缓冲结构;发送缓冲器因为发送时CPU是主动的所以不会产生重叠错误;波特率由T1的溢出率来决定。
80C51串行口的控制寄存器SCON 
SCON是一个特殊功能寄存器,用以设定串行口的工作方式、接收/发送控制以及设置状态标志。SM0和SM1为工作方式选择位,可选择四种工作方式:  SM2,多机通信控制位,主要用于方式2和方式3。当接收机的SM2=1时可以利用收到的RB8来控制是否激活RI (RB8=0时不激活RI,收到的信息丢弃; RB8=1时收到的数据进入SBUF,并激活RI,进而在中断服务中将数据从SBUF读走)。当SM2=0时,不论收到的RB8为0和1,均可以使收到的数据进入SBUF,并激活RI(即此时RB8不具有控制RI激活的功能)。通过控制SM2,可以实现多机通信. (SM2是多机通信使用的,初始状态从机的SM2均设置为1.接收数据的第9位为1即为地址帧,与自身地址相比较,如果相符则将SM2清零,就可以接收主机发来的所有数据。这样就实现了主机与任意从机间的通信) 在方式0时,SM2必须是0。在方式1时,如果SM2=1,则只有接收到有效停止位时,RI才置1。 REN,允许串行接收位。由软件置REN=1,则启动串行口接收数据;若软件置REN=0,则禁止接收。 TB8,在方式2或方式3中,是发送数据的第九位,可以用软件规定其作用。可以用作数据的奇偶校验位,或在多机通信中,作为地址帧/数据帧的标志位。在方式0和方式1中,该位未用。 RB8,在方式2或方式3中,是接收到数据的第九位,作为奇偶校验位或地址帧/数据帧的标志位。在方式1时,若SM2=0,则RB8是接收到的停止位。(一般不使用RB8这一位) TI,发送中断标志位。在方式0时,当串行发送第8位数据结束时,或在其它方式,串行发送停止位的开始时,由内部硬件使TI置1,向CPU发中断申请。在中断服务程序中,必须用软件将其清0,取消此中断申请。 RI,接收中断标志位。在方式0时,当串行接收第8位数据结束时,或在其它方式,串行接收停止位的中间时,由内部硬件使RI置1,向CPU发中断申请。也必须在中断服务程序中,用软件将其清0,取消此中断申请。
寄存器PCON  PCON中只有一个位SMOD与串口通信有关:SMOD (PCON.7)波特率倍增位。在串行口方式1、方式2、方式3时,波特率与SMOD有关,当SMOD=1时,波特率提高一倍。复位时,SMOD=0。(方式0与其无关) 80C51的工作方式 一、方式0 方式0时,串行口为同步移位寄存器的输入输出方式。主要用于扩展并行输入或输出口。数据由RXD (P3.0)引脚输入或输出,同步移位脉冲由TXD (P3.1)引脚输出。发送和接收均为8位数据,低位在先,高位在后。波特率固定为fosc/12。 1.方式0输出  2、方式0输入  二、方式1 方式1是10位数据的异步通信口。TXD为数据发送引脚,RXD为数据接收引脚,传送一帧数据的格式如图所示。其中1位起始位,8位数据位,1位停止位。(发送接收数据都是从低位到高位)  1、方式1输出  2、方式1输入  用软件置REN为1时,接收器以所选择波特率的16倍速率采样RXD引脚电平,检测到RXD引脚输入电平发生负跳变时,则说明起始位有效,将其移入输入移位寄存器,并开始接收这一帧信息的其余位。接收过程中,数据从输入移位寄存器右边移入,起始位移至输入移位寄存器最左边时,控制电路进行最后一次移位。当RI=0,且SM2=0(或接收到的停止位为1)时,将接收到的9位数据的前8位数据装入接收SBUF,第9位(停止位)进入RB8,并置RI=1,向CPU请求中断。 三、方式2和3 方式2或方式3时为11位数据的异步通信口。  方式2和方式3时起始位1位,数据9位(含1位附加的第9位,发送时为SCON中的TB8,接收时为RB8),停止位1位,一帧数据为11位。方式2的波特率固定为晶振频率的1/64或1/32,方式3的波特率由定时器T1的溢出率决定。  发送开始时,先把起始位0输出到TXD引脚,然后发送移位寄存器的输出位(D0)到TXD引脚。每一个移位脉冲都使输出移位寄存器的各位右移一位,并由TXD引脚输出。 第一次移位时,停止位“1”移入输出移位寄存器的第9位上,以后每次移位,左边都移入0。当停止位移至输出位时,左边其余位全为0,检测电路检测到这一条件时,使控制电路进行最后一次移位,并置TI=1,向CPU请求中断。
波特率的计算 在串行通信中,收发双方对发送或接收数据的速率要有约定。通过软件可对单片机串行口编程为四种工作方式)其中方式0和方式2的波特率是固定的,而方式1和方式3的波特率是可变的,由定时器T1的溢出率来决定。 串行口的四种工作方式对应三种波特率。由于输入的移位时钟的来源不同,所以各种方式的波特率计算公式也不相同。 方式0的波特率= fosc/12 方式2的波特率=(2SMOD/64)· fosc 方式1的波特率=(2SMOD/32)·(T1溢出率) 方式3的波特率=(2SMOD/32) ·(T1溢出率)
当T1作为波特率发生器时,最典型的用法是使T1工作在自动再装入的8位定时器方式(即方式2,且TCON的IR1=1)以启动定时器)。这时溢出率取决于TH1中的计数值。 T1溢出率=fosc/{12×[256 -(TH1)]} (注 TH1为一个八位的计数值) 在单片机的应用中,常用的晶振频率为:12MHz和11.0592MHz。所以,选用的波特率也相对固定。常用的串行口波特率以及各参数的关系如表所示。  串口如何使用 电行口工作之前,应对其进行初始化,主要是设置产生波特率的定时器1、串行口控制和中断控制。具体步骤如下: 确定T1的工作方式(编程TMOD寄存器); 计算T1的初值,装载TH1、TL1; 启动T1(编程TCON中的TR1位); 确定串行口控制(编程SCON寄存器); 串行口在中断方式工作时,要进行中断设置(编程IE、IP寄存器)。
#include "reg52.h"
typedef unsigned char u8;
typedef unsigned int u16;
void UsartInit(){
TMOD=0x20;
TH1=0xF3;
TL1=0xF3;
PCON=0x80;
TR1=1;
SCON=0x50;
ES=1;
EA=1;
}
void Usart() interrupt 4{
u8 receiveData;
receiveData=SBUF;
RI=0;
SBUF=receiveData;
while(!TI);
TI=0;
}
void main(){
UsartInit();
while(1);
}
|