存储器介绍

存储器简化模型

AT24C02

引脚以及电路

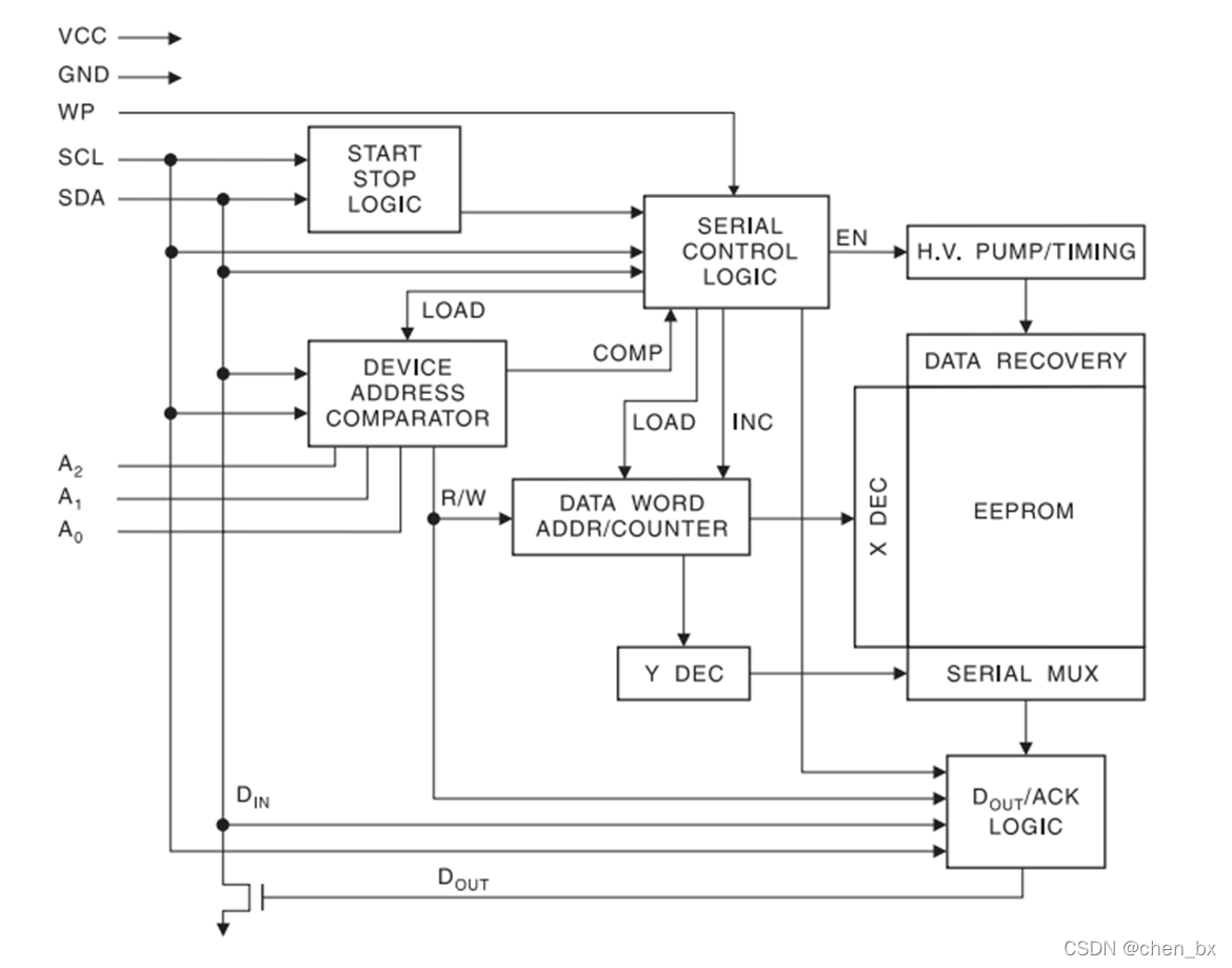
内部结构框图

I2C总线?
I2C总线介绍

I2C电路规范

I2C时序?
   
I2C数据帧?
 

AT24C02数据帧?


AT24C02数据存储
功能
按键1 使数字+1 按键2 使数字-1 按键3 将数字写入AT24C02 按键4 读出AT24C02刚刚写入的数据
代码
main.c
#include <REGX52.H>
#include "LCD1602.h"
#include "Key.h"
#include "AT24C02.h"
#include "Delay.h"
unsigned char KeyNum;
unsigned int Num;
void main()
{
LCD_Init();
LCD_ShowNum(1,1,Num,5);
while(1)
{
KeyNum=Key();
if(KeyNum==1)
{
Num++;
LCD_ShowNum(1,1,Num,5);
}
if(KeyNum==2)
{
Num--;
LCD_ShowNum(1,1,Num,5);
}
if(KeyNum==3)
{
AT24C02_WriteByte(0,Num%256);
Delay(5);
AT24C02_WriteByte(1,Num/256);
Delay(5);
LCD_ShowString(2,1,"Write OK");
Delay(1000);
LCD_ShowString(2,1," ");
}
if(KeyNum==4)
{
Num=AT24C02_ReadByte(0);
Num|=AT24C02_ReadByte(1)<<8;
LCD_ShowNum(1,1,Num,5);
LCD_ShowString(2,1,"Read OK ");
Delay(1000);
LCD_ShowString(2,1," ");
}
}
}
I2C.c
#include <REGX52.H>
sbit I2C_SCL=P2^1;
sbit I2C_SDA=P2^0;
void I2C_Start(void)
{
I2C_SDA=1;
I2C_SCL=1;
I2C_SDA=0;
I2C_SCL=0;
}
void I2C_Stop(void)
{
I2C_SDA=0;
I2C_SCL=1;
I2C_SDA=1;
}
void I2C_SendByte(unsigned char Byte)
{
unsigned char i;
for(i=0;i<8;i++)
{
I2C_SDA=Byte&(0x80>>i);
I2C_SCL=1;
I2C_SCL=0;
}
}
unsigned char I2C_ReceiveByte(void)
{
unsigned char i,Byte=0x00;
I2C_SDA=1;
for(i=0;i<8;i++)
{
I2C_SCL=1;
if(I2C_SDA){Byte|=(0x80>>i);}
I2C_SCL=0;
}
return Byte;
}
void I2C_SendAck(unsigned char AckBit)
{
I2C_SDA=AckBit;
I2C_SCL=1;
I2C_SCL=0;
}
unsigned char I2C_ReceiveAck(void)
{
unsigned char AckBit;
I2C_SDA=1;
I2C_SCL=1;
AckBit=I2C_SDA;
I2C_SCL=0;
return AckBit;
}
AT24C02.c
#include <REGX52.H>
#include "I2C.h"
#define AT24C02_ADDRESS 0xA0
void AT24C02_WriteByte(unsigned char WordAddress,Data)
{
I2C_Start();
I2C_SendByte(AT24C02_ADDRESS);
I2C_ReceiveAck();
I2C_SendByte(WordAddress);
I2C_ReceiveAck();
I2C_SendByte(Data);
I2C_ReceiveAck();
I2C_Stop();
}
unsigned char AT24C02_ReadByte(unsigned char WordAddress)
{
unsigned char Data;
I2C_Start();
I2C_SendByte(AT24C02_ADDRESS);
I2C_ReceiveAck();
I2C_SendByte(WordAddress);
I2C_ReceiveAck();
I2C_Start();
I2C_SendByte(AT24C02_ADDRESS|0x01);
I2C_ReceiveAck();
Data=I2C_ReceiveByte();
I2C_SendAck(1);
I2C_Stop();
return Data;
}
|